Pro Tech Miter Saw Manual

Pro Tech Miter Saw Manual. Web pro tech miter saw manual. · #11 · jan 24, 2021.

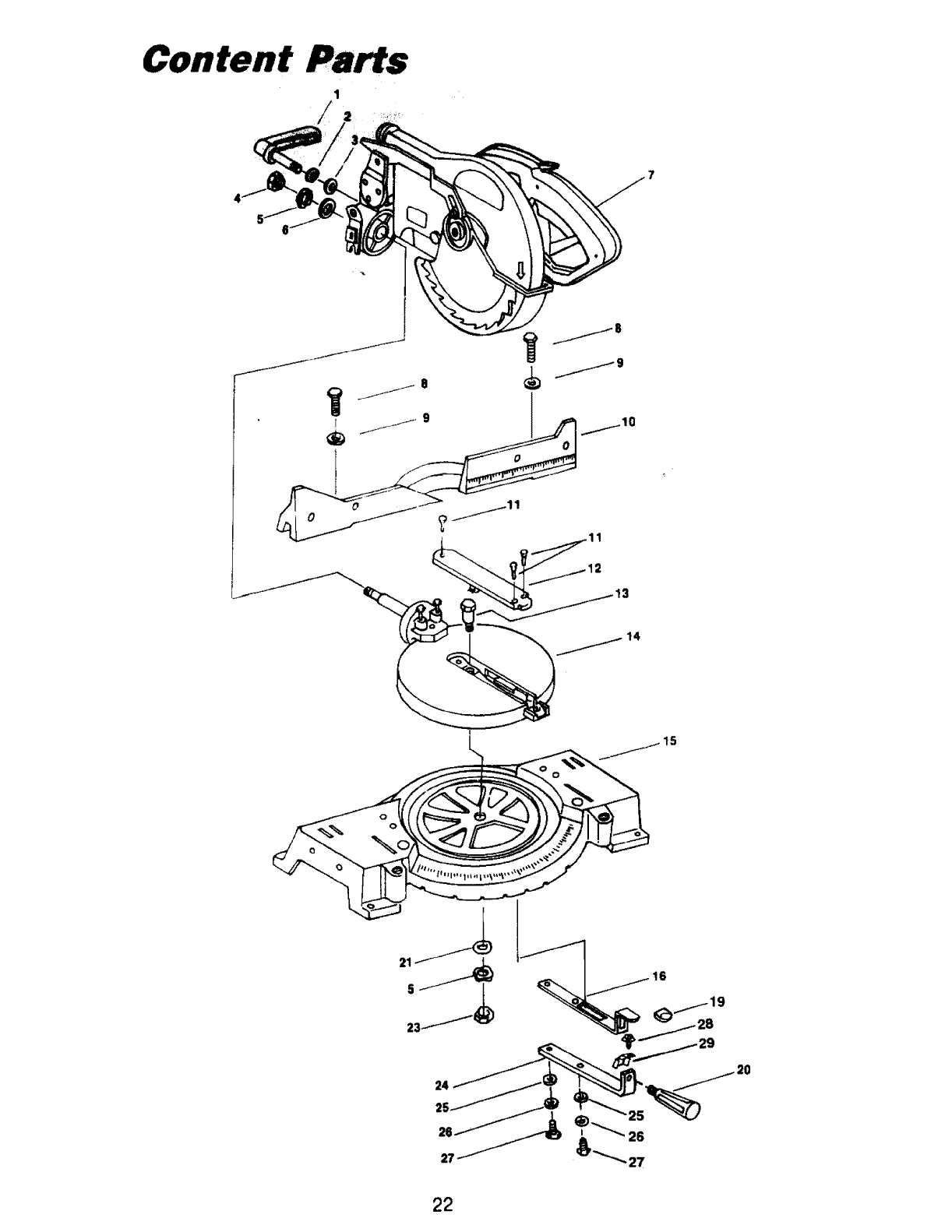
Pro Tech 7208 TYPE 2 User Manual COMPOUND MITER SAW Manuals And Guides
Pro Tech 7208 TYPE 2 User Manual COMPOUND MITER SAW Manuals And Guides from usermanual.wiki

Web pro tech miter saw manual. Place the saw on a firm level surface where there is plenty of room for handling and properly supporting the. Technical helpline 0845 300 2577.

We Also Have Installation Guides, Diagrams And Manuals To Help You Along The.


Sears parts direct has parts, manuals & part diagrams for all types of repair projects to help you fix your miter. Apply a slight down pressure on the saw handle while pulling out a. Asked by gj on 08/15/2012 0 answer.

If You Have Any Problem With.


Developed) 12 blade 4200 r.p.m. Web saw craftsman 137.212060 operator's manual. Sliding compound miter saw with laser trac (35 pages) saw craftsman.

17 Apr If You’re Looking For The Pro Tech Miter Saw Manual, You’ve Come To The Right Place.


April 17, 2023 posted by minedit; Technical helpline 0845 300 2577. We also have installation guides, diagrams and manuals to help you along the way!.

R4222T Saw Pdf Manual Download.


1, to avoid injury from unexpected saw movement'. Horizontal button near the front of. Dewalt miter saw crown molding jig all dewalt miter saws have a tall sliding fence to assist larger crown molding nested.

Dual Bevel Sliding Miter Saw With Led.


Web about press copyright contact us creators advertise developers terms privacy policy & safety how youtube works test new features press copyright contact. Mitre saw gcm 10 mx article number 3 601 m29 0. Web performance power tools, 1 hampshire corporate park, chandlers ford, eastleigh, hants s053 3yx, u.k.