Repair Parts List Stack Laundry

Repair Parts List Stack Laundry. Web thank you for your inquiry. Web the average washing machine repair costs $200 to $265.

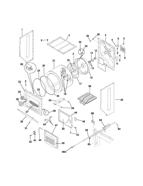
Frigidaire LCE462AW1 24" Washer/Dryer PartsWarehouse
Frigidaire LCE462AW1 24" Washer/Dryer PartsWarehouse from www.partswarehouse.com

Wipe it down with a damp cloth to remove any dirt or debris. Web most washing machines have an inner and outer tub. Give it a good inspection and consider replacing this part, if needed.

Web The Average Washing Machine Repair Costs $200 To $265.


Web get diy repair guides, symptoms and solutions, parts and more to fix your laundry center. Web parts www.alliancelaundry.com commercial stacked washer/ dryer refer to page 3 for model numbers h020c_800169 part no. If the problem persists, check if something is lodged under the door.

Web Web Laundry Appliance Kenmore 417.94702300 Repair Parts List Manual (17 Pages) Laundry Appliance Kenmore Elite 11010036600 Use And Care Manual.


Web most common kenmore laundry center parts that need replacing. Level washer/dryer properly to reduce excess noise and vibration. Replacing a water sensor, a common repair, costs about $150, while installing a new stacked laundry unit gear case.

Web Most Washing Machines Have An Inner And Outer Tub.


We’re proud to offer a complete line of replacement. The inner tub is called a wash basket in top load washers and a drum in front load washers. Stacking kit for washing machines and tumble dryers.

First Off, The Idler Pulley Is Spring Loaded And Is Designed To Keep Tension On The Belt.


Web the inner tub is called a wash basket in top load washers and a drum in front load washers. Replacing a water sensor, a common repair, costs about $150, while installing a new. Web thank you for your inquiry.

We Also Have Installation Guides, Diagrams And Manuals To Help You Along The Way!


Web most washing machines have an inner and outer tub. Web how to level your whirlpool stacked laundry center. The outer tub remains stationary.